Bàn Cầu COTTO C10317 Một Khối Quado Xả Gạt
Chi tiết
Bồn Cầu 1 Khối Cotto C10317 Quado – Xả Siphon Vortex Mạnh Mẽ, Sang Trọng
Đặc điểm nổi bật
-
Thiết kế 1 khối sang trọng: Bồn cầu Cotto C10317 thuộc bộ sưu tập Quado, sở hữu thiết kế liền khối (một khối) tinh tế, hiện đại, mang lại vẻ đẹp đẳng cấp cho không gian phòng tắm. Kiểu dáng thân dài tạo cảm giác thoải mái tối đa cho người dùng.
-
Hệ thống xả Siphon Vortex mạnh mẽ: Bồn cầu sử dụng công nghệ xả Siphon Vortex, tạo lực xoáy mạnh mẽ và tập trung, giúp cuốn trôi mọi vết bẩn một cách nhanh chóng và triệt để. Hệ thống xả gạt với lượng nước 6L cho mỗi lần xả đảm bảo hiệu quả làm sạch tối ưu.
-
Nắp đóng êm ái, bền bỉ: Sản phẩm đi kèm nắp đóng êm, giúp hạn chế tiếng ồn khó chịu khi đóng nắp, tăng sự thoải mái khi sử dụng và độ bền cho sản phẩm.
-
Lắp đặt dễ dàng: Với kiểu thoát S Trap và tâm thoát 305mm, bồn cầu này phù hợp với đa số cấu trúc đường ống phổ biến tại Việt Nam. Sản phẩm bao gồm van khóa và đế cầu, giúp việc lắp đặt trở nên thuận tiện.
Thông số kỹ thuật chi tiết
-
Tên sản phẩm: Bồn cầu 1 khối cao cấp dạng Quado
-
Mã sản phẩm: C10317
-
Thương hiệu: Cotto
-
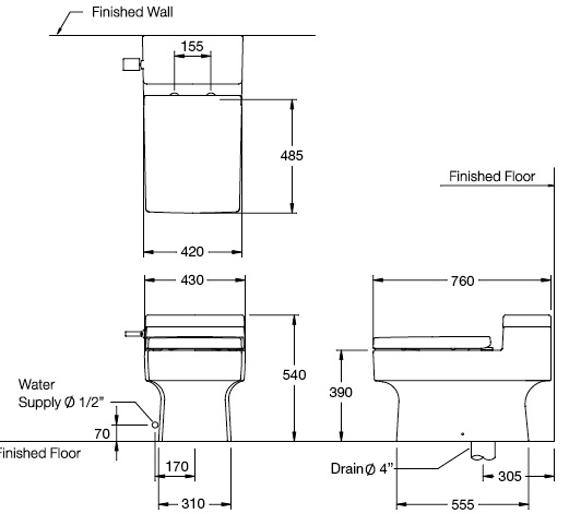
Kích thước (DxRxC): 760 x 430 x 540 mm
-
Thiết kế: Một khối, thân dài
-
Kiểu thoát: S Trap (305 mm)
-
Hệ thống xả: Siphon Vortex, xả gạt
-
Lượng nước xả: 6L
-
Linh kiện đi kèm: Van khóa, đế cầu
Bản vẽ kỹ thuật bồn cầu C10317

Hướng dẫn sử dụng và bảo dưỡng
-
Sử dụng: Gạt tay xả để kích hoạt hệ thống xả Siphon Vortex.
-
Vệ sinh: Lau chùi bề mặt bồn cầu bằng khăn mềm và dung dịch tẩy rửa nhẹ để giữ sản phẩm luôn sạch đẹp.
-
Bảo dưỡng: Định kỳ kiểm tra các bộ phận bên trong két nước và đường ống để đảm bảo bồn cầu luôn hoạt động tốt.
Liên hệ Nội thất Cẩm Tú TPHCM để được tư vấn và hỗ trợ tốt nhất về sản phẩm bồn cầu Cotto.
Đánh giá
Sản phẩm cùng loại
Bồn Cầu INAX AC-912VN
Bồn Cầu INAX AC-912VN (AC912VN) 1 Khối Dòng S200 Thuộc bộ sưu tập : S200 mới nhất của INAX. Kiểu xả gạt: 4.5L
-30% 10,090,000đ 7,050,000đ

